| x x x x x x x x x x x x x x x x x x x x x x x x x x x x x x x x x x x x x x x x |

    
| ELMO - Einfädelstück für GS 1200, verbesserte Version aus Metall |
|
Bislang konnte das erste grüne Kunststoffteil der Filmführung (das sog. "Einfädelstück") durch den Film nach und nach derart eingeschliffen werden, daß der Film die Möglichkeit hatte, nicht mehr nur an den Filmrändern, sondern im Bildbereich aufzuliegen. Dies führt im Laufe der Zeit zu Laufstreifen in den Filmkopien. Die zu gering gewählte Schrägung der Fläche ermöglicht außerdem das Aufliegen von Filmen im Bildbereich, wenn das Filmmaterial in Laufrichtung nur minimal verwölbt / gekrümmt ist.
Ab sofort ist ein neues, verbessertes Einfädelstück lieferbar. Dieses kann sich nicht mehr einschleifen und somit nicht zum "Kratzteufel" werden. Die Filmführung wurde derart modifiziert, daß keine Berührung des Filmes im Bildbereich möglich ist. Die neue Bauform garantiert einen filmschonenden Filmlauf aller Filmsorten. Der Konstruktionsfehler des originalen Teiles und der bisherigen Nachbauten (zu gering gewählte Schrägung der Fläche) wurde behoben.
Hochwertige und exakte Ausführung aus Metall mit edlem Chrom-Finish. Neue Lauffläche mit tiefer Aussparung im Bildbereich, bei der auch verwölbte / gekrümmte Filme nicht mehr aufliegen können. Nichtmagnetische Ausführung, um eine ggf. vorhandene Magnetton-Randspur der Filme nicht zu gefährden. Geringer Reibungskoeffizient, präzisionsgeschliffen, mit polierter Filmführung.
-> Diesen oder ähnliche Artikel in unserem Shop kaufen
|
| ELMO - Lampenfassung für GS-1200 |
 |
Für Kaltlichtspiegel-Halogenlampe 24V/250W (ELC) und 24V/200W (ESC und EJL). Komplette Lampenfassung mit Lampenhalterung. Solider Keramik-Kontaktblock mit Hitzeschild. Stabile Lampenkontakte, zweifach gefedert für guten Kontakt (geringer Übergangswiderstand). Doppelt gegen Hitze geschützte Zuleitung (Silikonkabel mit Gewebemantel, ca. 110mm). Lampen Auswurf-Bügel. Belastbare und langlebige Bauweise. Sonderanfertigung mit Montageflansch passend für ELMO GS-1200. Ohne Leuchtmittel. Kann einfach gegen die vorhandene, alte Lampenfassung/Halterung ausgetauscht werden.
-> Diesen oder ähnliche Artikel in unserem Shop kaufen
|
| 800m-Spulenarme für ELMO GS-1200 |
 |
Umrüstsatz für Elmo GS-1200 auf 800m-Spulenarme.
Hochwertig verarbeitet, Metallausführung, edles, schwarzes Finish.
1 Paar incl. Montagematerial (die Spulendorne, Zahnräder sowie Befestigungsschrauben werden von den originalen 360m-Spulenarmen weiterverwendet).
-> Diesen oder ähnliche Artikel in unserem Shop kaufen
|
| ELMO - Motor-Transistor 2SD110 für GS-1200 |
 |
Leistungstransistor 2SD110, regelt im Elmo GS-1200 den Motorstrom.
Dieses Bauteil ist bereits seit vielen Jahren obsolet, d.h. nicht mehr regulär lieferbar. Wir haben es aus den USA nochmals für Sie beschaffen können.
Leistungstransistor 2SD110, Gehäuse TO-3, Metall, 1 Stck.
-> Diesen oder ähnliche Artikel in unserem Shop kaufen
|
| Zahnrad für ELMO GS-1200 Spulenarm-Getriebe |
 |
Zahnrad für ELMO GS-1200 Spulenarm-Getriebe
Zahnrad (15Z schrägverzahnt) für den Antrieb der Spulenarme. Neue Version aus Vollmetall.
Passend für das Getriebe oder als Motorritzel, für vorderen und hinteren Getriebeblock (Ab- und Aufwickelspulenarm). Bei uns erhalten Sie dieses Zahnrad mit normgerechter Madenschraube (Inbus) in korrekter Länge und passendem Inbusschlüssel. 1 Stck.
Bild der Einbauposition im Gerät.
-> Diesen oder ähnliche Artikel in unserem Shop kaufen
|
| ELMO - Flügelblenden für GS 1200 |
|
ELMO Zweiflügelblende für GS 1200, ST 180, ST 600, GS 800
Zum Nachrüsten von Elmo GS 1200, ST 180, ST 600, GS 800 und bauähnlichen Geräten.
Deutlicher Lichtgewinn bei Projektion mit 24 B/Sek. bzw. 25 B/Sek. (um 33% verkürzte Dunkelphase zwischen den Transportphasen). Einbauanleitung liegt bei. Es ist handwerkliches Geschick und Werkzeug erforderlich. Die Blenden werden präzise per Laserstrahl geschnitten, von Hand entgratet und erhalten ihr abschließendes Finish durch Glasstrahlen. Jedes Exemplar wird vor dem Verpacken optimal gerichtet und auf Rundlauf überprüft.
-> Diesen oder ähnliche Artikel in unserem Shop kaufen
|
| ELMO Ersatzteile 16-CL, 16-AL, TRV-16, CX-350 |
Sie erhalten bei uns alle Gummi-Rollen für den Elmo 16-CL, 16-AL, TRV-16, CX-350 aus neuer Herstellung. Keine gelagerte Altware! Alle Rollen stammen aus aktueller Produktion.
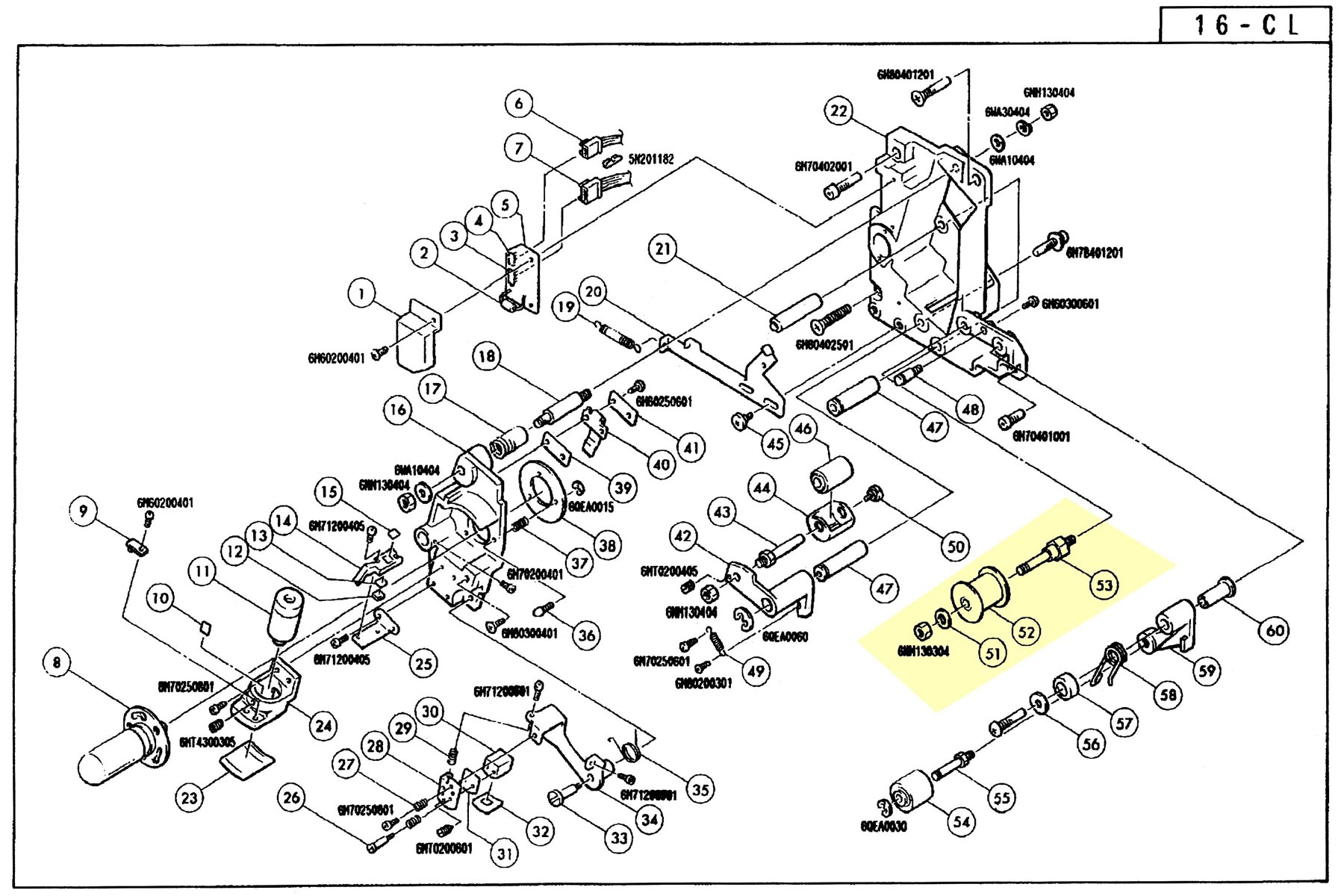
Hier finden Sie eine Übersicht der Einbaupositionen im Gerät (Abb. zeigt Elmo 16-CL optical sound). |
 |
Bremsrolle
ELMO 16-CL, 16-AL, TRV-6, TRV-16G, TRV-16H, CX-350
Pro Gerät 1 Stück erforderlich.
Spätere, komplette Version mit fest integrierter Sinterlagerbuchse.
Explosionszeichnung hier herunterladen (ca. 260Kb).
Kann als Ersatz für die Version mit separater Sinterlagerbuchse verwendet werden. In diesem Falle sollte aus der alten Lagerbuchse ein Distanzstück (7mm) angefertigt werden. Dieses wird vor dem Einsetzen der neuen Rolle als Abstandhalter anstelle der Feder auf die Achse geschoben.
-> Diesen oder ähnliche Artikel in unserem Shop kaufen
Andruckrolle Capstan bzw. Andruckrolle Tonkopf
ELMO 16-CL, 16-AL, TRV-6, TRV-16G, TRV-16H, CX-350
Version optical sound: pro Gerät 1 Stück erforderlich.
Version M&O optical/magnetical sound: pro Gerät 2 Stück erforderlich.
-> Diesen oder ähnliche Artikel in unserem Shop kaufen
Andruckrolle für Bremsrolle bzw. hintere Ausgleichrolle
ELMO 16-CL, 16-AL, TRV-6, TRV-16G, TRV-16H, CX-350
Pro Gerät 2 Stück erforderlich.
-> Diesen oder ähnliche Artikel in unserem Shop kaufen
|
| |
|
 |
|
 |
|
| |
|
Wittner Kinotechnik © Wittner Cinetec GmbH & Co. KG Wittner Filmtechnik |
|
Impressum
|
| |
|
x x x x x x x x x x x x x x x x x x x x x x x x x x x x x x x x x x x x x x x x |