| x x x x x x x x x x x x x x x x x x x x x x x x x x x x x x x x x x x x x x x x |

    
 |
Transformator 36V/400W
zum Betrieb der 36V/400 W - Halogenlampe. Diese Lampe ist die ideale Lichtquelle für 16mm und 35mm, wenn kein Xenonlicht installiert werden soll.
Incl. solider Klemmleiste m. Sicherungshaltern incl. Glasrohr-Feinsicherungen. Primäranschluß über Schraubklemmen, Sekundäranschluß über Schraubklemmen und 6,3mm AMP Steckverbinder möglich. Neue Trafos made in Germany. Abmessungen (BHT) ca. 120 x 125 x 130 mm, Gewicht: ca. 6,7 kg.
-> Diesen oder ähnliche Artikel in unserem Shop kaufen
|
| Lampenfassungen |
 |
Lampenfassung G4, GZ4, GX 5,3, GY 6,35
für Stiftsockel-Halogenlampen 6V/10W, 6V/20W, 12V/100W und Kaltlichtspiegel-Halogenlampe 24V/250W
mit Montagelöchern und ca. 15 cm hitzeresistent gemantelte Zuleitung.
-> Diesen oder ähnliche Artikel in unserem Shop kaufen
|
 |
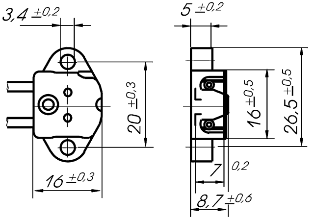
Lampenfassung G 6,35
z.B. für Stiftsockel-Halogenlampen, 24V/150W, 24V/250W und 36V/400W
mit Montagelöchern (Lochabstand Mitte-Mitte ca. 22mm, Größe ca. 3,5 x 4mm) und ca. 15 cm Silikonzuleitung. Abmessungen
-> Diesen oder ähnliche Artikel in unserem Shop kaufen
|
 |
Lampenfassung G6,35, GZ6,35
ca. 12 cm Silikonzuleitung. Abmessungen
z.B. für Braun Visacustic Projektoren
-> Diesen oder ähnliche Artikel in unserem Shop kaufen
|
 |
Lampenfassung G6,35, GX6,35, GZ6,35
ca. 15 cm Silikonzuleitung. Abmessungen
-> Diesen oder ähnliche Artikel in unserem Shop kaufen
|
 |
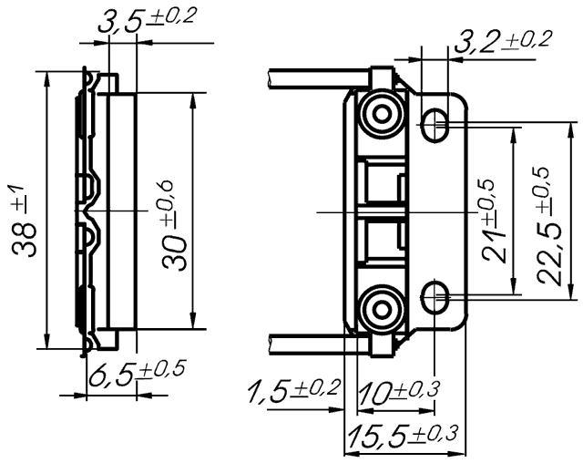
Lampenfassung G6,35, GX6,35, GY6,35, GZ6,35
mit Montagelöchern und ca. 15 cm Silikonzuleitung. Abmessungen
-> Diesen oder ähnliche Artikel in unserem Shop kaufen
|
 |
Lampenfassung G6,35, GX6,35, GY6,35, GZ6,35
z.B. für die Kaltlichtspiegel-Halogenlampen 8V/50W, 12V/75W, 12V/100W und 15V/150W
mit Montagelöchern und ca. 15 cm Silikonzuleitung. Abmessungen
-> Diesen oder ähnliche Artikel in unserem Shop kaufen
|
 |
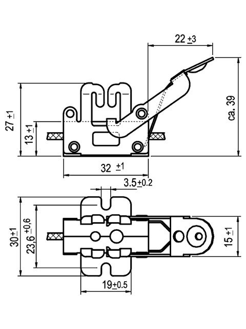
Lampenfassung GX 5,3
für die Kaltlichtspiegel-Halogenlampe 24V/250W (ELC), 24V/200W (ESC und EJL), 21V/150W (EJM) und andere Anwendungen. Langlebiges Import-Modell, wie es z.B. früher oftmals in gleicher oder ähnlicher Bauform in div. 16mm Projektoren verwendet wurde. Lampenhalterung mit 8 universellen Montagelöchern. Solider Keramik-Kontaktblock mit Hitzeschild. Stabile Lampenkontakte, zweifach gefedert für guten Kontakt (geringer Übergangswiderstand). Doppelt gegen Hitze geschützte Zuleitung (Silikonkabel mit Gewebemantel, ca. 110mm). Belastbare und langlebige Bauweise, einsetzbar bis 125 Volt und 660 Watt. Abmessungen
-> Diesen oder ähnliche Artikel in unserem Shop kaufen
|
 |
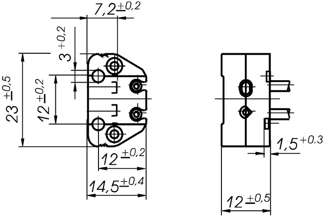
Lampenfassung GY 9,5
z. B. für die Stiftsockel-Halogenlampe 50V / 590W HLX,
mit Montagelöchern und ca. 15 cm Silikonzuleitung. Abmessungen
-> Diesen oder ähnliche Artikel in unserem Shop kaufen
|
 |
Lampenfassung ELMO GS-1200
Für Kaltlichtspiegel-Halogenlampe 24V/250W (ELC) und 24V/200W (ESC und EJL).
Komplette Lampenfassung mit Lampenhalterung. Solider Keramik-Kontaktblock mit Hitzeschild. Stabile Lampenkontakte, zweifach gefedert für guten Kontakt (geringer Übergangswiderstand). Doppelt gegen Hitze geschützte Zuleitung (Silikonkabel mit Gewebemantel, ca. 110mm). Lampen Auswurf-Bügel. Belastbare und langlebige Bauweise. Sonderanfertigung mit Montageflansch passend für ELMO GS-1200. Ohne Leuchtmittel. Kann einfach gegen die vorhandene, alte Lampenfassung/Halterung ausgetauscht werden.
-> Diesen oder ähnliche Artikel in unserem Shop kaufen
|
| HTI - Lampenhalterung |
|
HTI - Lampenhalterung für HTI 250W und HTI 400W mit Spiegel
Abmessung ca. 100 x 70 x 95mm. Sonderanfertigung mit Federbügel und
4 Gewindebohrungen für die Befestigung. Lieferung ohne Leuchtmittel.
-> Diesen oder ähnliche Artikel in unserem Shop kaufen
|
| |
|
 |
|
 |
|
| |
|
Wittner Kinotechnik © Wittner Cinetec GmbH & Co. KG Wittner Filmtechnik |
|
Impressum
|
| |
|
x x x x x x x x x x x x x x x x x x x x x x x x x x x x x x x x x x x x x x x x |